Лидеры продаж

Тепловычислитель ТВ7
Заказать

Стальные шаровые краны DN 15-250
Заказать
Стальные шаровые краны DN 15-250
Условия работы
-30 °C - +200 °C
При температуре ниже 0 °C - обратитесь на завод-производитель.
Не для пара


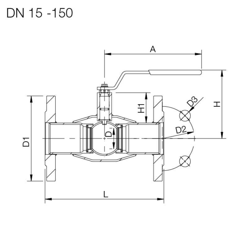
| Product no. Vexve | DN | PN | A | D | D1 | D2 |
|---|---|---|---|---|---|---|
| 103015 | 15 | 40 | 145 | 10 | 95 | 65 |
| 103020 | 20 | 40 | 145 | 15 | 105 | 75 |
| 103025 | 25 | 40 | 145 | 20 | 115 | 85 |
| 103032 | 32 | 40 | 145 | 25 | 140 | 100 |
| 103040 | 40 | 40 | 188 | 32 | 150 | 110 |
| 103050 | 50 | 40 | 188 | 40 | 165 | 125 |
| 103065 | 65 | 16 | 277.5 | 50 | 185 | 145 |
| 103080 | 80 | 16 | 277.5 | 65 | 200 | 160 |
| 103100 | 100 | 16 | 278.5 | 80 | 220 | 180 |
| 103125 | 125 | 16 | 400 | 100 | 250 | 210 |
| 103150 | 150 | 16 | 600 | 125 | 285 | 240 |
| 103200 | 200 | 16 | 870 | 150 | 340 | 295 |
| 103250 | 250 | 16 | 1200 | 200 | 405 | 355 |
| Product no. Vexve | D3 | H | H1 | L | Holes | kg |
|---|---|---|---|---|---|---|
| 103015 | 14 | 98 | 22 | 130 | 4 | 1.8 |
| 103020 | 14 | 103 | 23 | 150 | 4 | 2.5 |
| 103025 | 14 | 118 | 34 | 160 | 4 | 3.3 |
| 103032 | 18 | 121 | 33 | 180 | 4 | 5 |
| 103040 | 18 | 120 | 43 | 200 | 4 | 5.8 |
| 103050 | 18 | 127 | 44 | 230 | 4 | 7.8 |
| 103065 | 18 | 159 | 62 | 270 | 8 | 10.5 |
| 103080 | 18 | 171 | 68 | 280 | 8 | 12.5 |
| 103100 | 18 | 218 | 101 | 300 | 8 | 17 |
| 103125 | 18 | 252 | 101 | 325 | 8 | 25 |
| 103150 | 22 | 272 | 107 | 350 | 8 | 33 |
| 103200 | 22 | 280 | 92 | 400 | 12 | 58 |
| 103250 | 26 | 350 | 108 | 500 | 12 | 102 |
| Корпус: | DN 10–500 Сталь, P235GH (1.0345) |
| DN 600–800 Сталь, P355 NL1 (1.0566)/ GP240GH (1.0619) | |
| Шар: | DN 10–600 Нержавеющая сталь, X5CrNi18-10 (1.4301) |
| DN 700–800 Сталь + нержавеющее покрытие, ASTM A350 LF2 +Ni | |
| Шток: | Нержавеющая сталь, X8CrNiS18-9 (1.4305) |
| Уплотнения штока: | FPM |
| Уплотнения шара: | PTFE+C |
| Фланцы: | EN 1092-1 |
| Мы предлагаем PN 10, 16, 25, 40 | |
| Длина: | EN 558-1 (DIN 3202) DN 15–200 |
| Управление: | Оцинкованная металлическая ручка |
| Рекомендуем комплектацию механическим редуктором для размеров DN 200 и более |
Vexve-Ball_valves-operating_torques-EN.pdf
Скачать документ
(pdf, 171 Кб)
Vexve-Ball_valves-reduced_bore-coupling_dimensions.pdf
Скачать документ
(pdf, 134.8 Кб)
Vexve-Valves_RB-Pressure-loss-diagram_DN15-DN800.pdf
Скачать документ
(pdf, 162 Кб)



