По запросу

-30 °C — +200 °C
При температуре ниже 0 °C — обратитесь на завод-производитель.
Не для пара
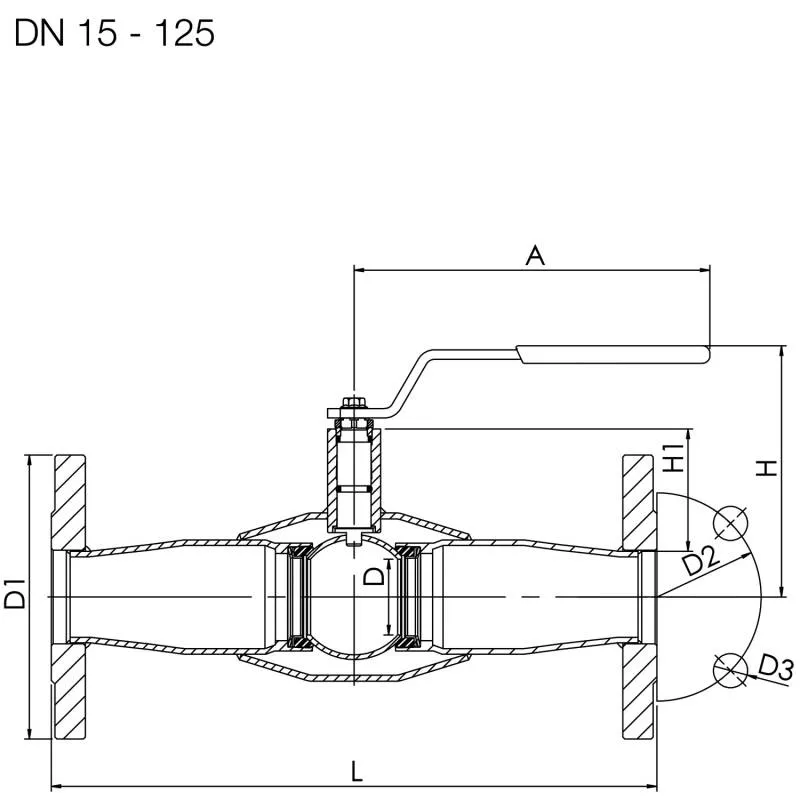
| Product no. Vexve | DN | PN | A | D | D1 | D2 |
|---|---|---|---|---|---|---|
| 153015 | 15 | 40 | 147 | 15 | 95 | 65 |
| 153020 | 20 | 40 | 145 | 20 | 105 | 75 |
| 153025 | 25 | 40 | 145 | 25 | 115 | 85 |
| 153032 | 32 | 40 | 188 | 32 | 140 | 100 |
| 153040 | 40 | 40 | 188 | 40 | 150 | 110 |
| 153050 | 50 | 16 | 278 | 50 | 165 | 125 |
| 153065 | 65 | 16 | 278 | 65 | 185 | 145 |
| 153080 | 80 | 16 | 279 | 80 | 200 | 160 |
| 153100 | 100 | 16 | 400 | 100 | 220 | 180 |
| 153125 | 125 | 16 | 600 | 125 | 250 | 210 |
| 153150 | 150 | 16 | 870 | 150 | 285 | 240 |
| 153200 | 200 | 16 | 1200 | 200 | 340 | 295 |
| 153250 | 250 | 16 | 250 | 405 | 355 | |
| 153300 | 300 | 16 | 290 | 460 | 410 | |
| 153350 | 350 | 16 | 340 | 520 | 470 | |
| 153400 | 400 | 16 | 390 | 580 | 525 | |
| 153500 | 500 | 16 | 489 | 715 | 650 |
| Product no. Vexve | D3 | H | H1 | L | Holes | kg |
|---|---|---|---|---|---|---|
| 153015 | 14 | 103 | 26 | 245 | 4 | 1.3 |
| 153020 | 14 | 117 | 37 | 245 | 4 | 3.0 |
| 153025 | 14 | 121 | 37 | 275 | 4 | 3.5 |
| 153032 | 18 | 121 | 46 | 275 | 4 | 5.5 |
| 153040 | 18 | 127 | 49 | 320 | 4 | 7.5 |
| 153050 | 18 | 158 | 70 | 320 | 4 | 9.5 |
| 153065 | 18 | 171 | 74 | 325 | 8 | 13.5 |
| 153080 | 18 | 218 | 114 | 350 | 8 | 19.0 |
| 153100 | 18 | 253 | 113 | 350 | 8 | 24.0 |
| 153125 | 18 | 272 | 121 | 375 | 8 | 34.0 |
| 153150 | 22 | 281 | 117 | 515 | 8 | 65.0 |
| 153200 | 22 | 343 | 135 | 560 | 12 | 120.0 |
| 153250 | 26 | 158 | 595 | 12 | 160.0 | |
| 153300 | 26 | 206 | 716 | 12 | 220.0 | |
| 153350 | 26 | 267 | 802 | 16 | 350.0 | |
| 153400 | 30 | 306 | 1140 | 16 | 610.0 | |
| 153500 | 33 | 308 | 1016 | 20 | 1100.0 |