По запросу
Расходомер-счетчик электромагнитный ВЗЛЕТ ЭР предназначен для измерения среднего объемного расхода и объема горячей и холодной воды, бытовых стоков, а также других не агрессивных электропроводящих жидкостей в широких диапазонах температур и проводимостей.
Основная сфера применения расходомеров ВЗЛЕТ ЭР (ЭРСВ) исполнений ЭРСВ-4××(5××)Л, ЭРСВ-4××(5××)Ф – в составе теплосчетчиков, измерительных систем, автоматизированных систем управления технологическими процессами в энергетике, коммунальном хозяйстве и т.д.
Расходомеры ЭРСВ могут устанавливаться как в металлические, так и в пластиковые (металлопластиковые) трубопроводы. По заказу расходомеры-счетчики Взлет могут быть настроены для измерения параметров реверсивного потока с выдачей сигнала направления потока.
Преобразователи расхода Взлет ЭР тип Лайт М выпускаются в нескольких исполнениях.
Для систем с максимальной скоростью потока 10 м/с.
Исполнения измерительного блока:
Тип присоединения:
Для систем с максимальной скоростью потока 5 м/с.
Исполнения измерительного блока:
Тип присоединения:
Расходомеры-счетчики Взлет ЭР имеют отличительные особенности по сравнению с аналогичными приборами:

максимальная скорость потока 10 м/с
| Номинальный диаметр ЭРСВ-хх0Л В, DN | Номинальный диаметр ЭРСВ-хх0Ф В, DN | Наиб. измеряемый средний объемный расход жидкости, Qv наиб, м3/час |
|---|---|---|
| 15 | — | 6,37 |
| 20 | 20 | 11,32 |
| 25 | 25 | 17,69 |
| 32 | 32 | 28,98 |
| 40 | 40 | 45,28 |
| 50 | 50 | 70,75 |
| 65 | 65 | 119,6 |
| 80 | 80 | 181,12 |
| 100 | 100 | 283 |
| 150 | 150 | 636,8 |
| — | 200 | 1132 |
| — | 300 | 2547 |
максимальная скорость потока 5 м/с
| Номинальный диаметр ЭРСВ-хх0Ф В, DN | Наиб. измеряемый средний объемный расход жидкости, Qv наиб, м3/час |
|---|---|
| 25 | 8,9 |
| 32 | 14,5 |
| 50 | 35,4 |
максимальная скорость потока 10 м/с
| Характеристика | Значение |
|---|---|
| Давление в трубопроводе, МПа | не более 2,5 |
| Удельная электропроводность жидкости, См/м | не менее 5 x 10-4 |
| Диапазон температуры жидкости, °С | от минус 10 до 150 |
| Мин. длина прямолинейных участков до и после расходомера | 3DN и 1DN |
| Степень защиты | IP65 |
| Напряжение питания расходомера, В | =24 |
| Потребляемая мощность, Вт | не более 5,0 |
| Средняя наработка на отказ, ч | 75 000 |
| Средний срок службы, лет | 12 |
| Гарантийный срок эксплуатации, мес. | 72 |
максимальная скорость потока 5 м/с
| Характеристика | Значение |
|---|---|
| Давление в трубопроводе, МПа | не более 2,5 |
| Удельная электрическая проводимость жидкости, См/м | не менее 5 x 10-4 |
| Диапазон температуры жидкости, °С | от минус 10 до 150 |
| Мин. длина прямолинейных участков до и после расходомера | 2DN и 1DN |
| Степень защиты | IP65 |
| Напряжение питания расходомера, В | =24 |
| Потребляемая мощность, Вт | не более 5,0 |
| Средняя наработка на отказ, ч | 75 000 |
| Средний срок службы, лет | 12 |
| Гарантийный срок эксплуатации, мес. | 60 |
| Исполнение | Диаметр, DN (мм) | Относительная погрешность измерения, % | Динамический диапазон |
|---|---|---|---|
| максимальная скорость потока 10 м/с | |||
| ЭРСВ-х40х В | 15-300 | ±2,0 | 1:250 |
| ЭРСВ-х70х В | 15-300 | ±2,0 | 1:500 |
| максимальная скорость потока 5 м/с | |||
| ЭРСВ-х40Л В | 25, 32, 50 | ±2,0 | 1:250 |
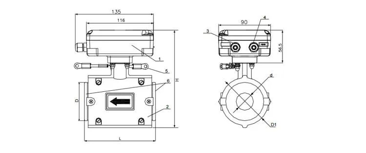
Вид расходомера Взлет ЭР (Лайт М) исполнений ЭРСВ-ХХ0Л типоразмеров DN20… DN50 с пластиковой проточной частью:

| DN | d, мм | D, мм | D1, мм | L, мм | H, мм | Масса, кг |
|---|---|---|---|---|---|---|
| 20 | 19 | 50 | 73 | 113 | 160 | 0,9 |
| 25 | 24,5 | 57,5 | 73 | 113 | 160 | 1,0 |
| 32 | 29 | 65 | 82 | 123 | 168 | 1,2 |
| 40 | 38 | 75 | 90 | 133 | 176 | 1,3 |
| 50 | 47 | 87-3 | 102 | 153 | 188 | 1,8 |
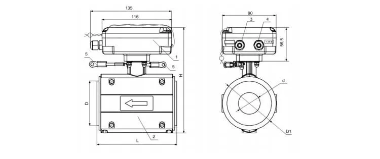
Вид расходомера Взлет ЭР (Лайт М) исполнений ЭРСВ-ХХ0Л с проточной частью, футерованной фторопластом и пластиковым кожухом:

| DN | d, мм | D, мм | D1, мм | L, мм | H, мм | Масса, кг |
|---|---|---|---|---|---|---|
| 10 | 9,5 | 34 | 60 | 93 | 147 | 0,8 |
| 15 | 14 | 39 | 60 | 93 | 147 | 0,8 |
| 65 | 61 | 109 | 122 | 174 | 208 | 3,7 |
| 80 | 74 | 120 | 141 | 174 | 228 | 4,9 |
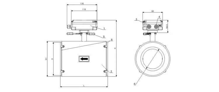
Вид расходомера Взлет ЭР (Лайт М) исполнений ЭРСВ-ХХ0Л с проточной частью, футерованной фторопластом и металлическим кожухом:

| DN | d, мм | D, мм | D1, мм | L, мм | H, мм | Масса, кг |
|---|---|---|---|---|---|---|
| 100 | 90 | 149 | 159 | 216 | 256 | 9,4 |
| 150 | 139 | 202 | 219 | 236 | 316 | 15,6 |
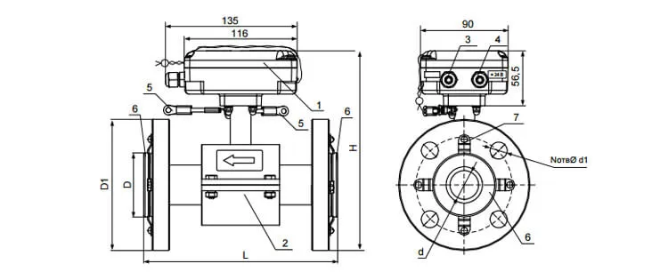
Вид расходомера Взлет ЭР (Лайт М) исполнений ЭРСВ-ХХ0Ф типоразмеров DN20… DN300 с проточной частью, футерованной фторопластом:

| DN | d, мм | D, мм | D1, мм | L, мм | H, мм | d1, мм | N | Масса, кг |
|---|---|---|---|---|---|---|---|---|
| 20 | 19 | 50 | 105 | 158 | 186 | 14 | 4 | 3,6 |
| 25 | 24 | 57 | 115 | 158 | 191 | 14 | 4 | 3,8 |
| 32 | 29 | 65 | 135 | 202 | 207 | 18 | 4 | 5,6 |
| 40 | 39 | 75 | 145 | 202 | 215 | 18 | 4 | 6,8 |
| 50 | 48 | 87 | 160 | 203 | 229 | 18 | 4 | 8,7 |
| 65 | 61 | 109 | 180 | 220 | 249 | 18 | 8 | 11,2 |
| 80 | 74 | 120 | 195 | 230 | 266 | 18 | 8 | 13,9 |
| 100 | 90 | 149 | 230 | 251 | 293 | 22 | 8 | 19,8 |
| 150 | 139 | 202 | 300 | 324 | 358 | 26 | 8 | 36,2 |
| 200 | 194 | 258 | 358 | 362 | 414 | 26 | 12 | 58,8 |
| 300 | 295 | 362 | 485 | 514 | 531 | 30 | 16 | 120,2 |
Подключение внешних приборов к расходомеру производится с помощью кабельных линий связи. Ввод кабелей в ЭБ осуществляется через герметизированные вводы, рассчитанные на подключение кабелей или гофрошлангов.
Вид измерительного блока без лицевой панели (вид модуля обработки):

Условные обозначения: