Лидеры продаж

Тепловычислитель ТВ7
Заказать

Стальные шаровые краны DN 15-250
Заказать
Дисковые затворы полнопроходные ГОСТ DN 300-800, Δp = 16 бар, регулирующий
Условия работы
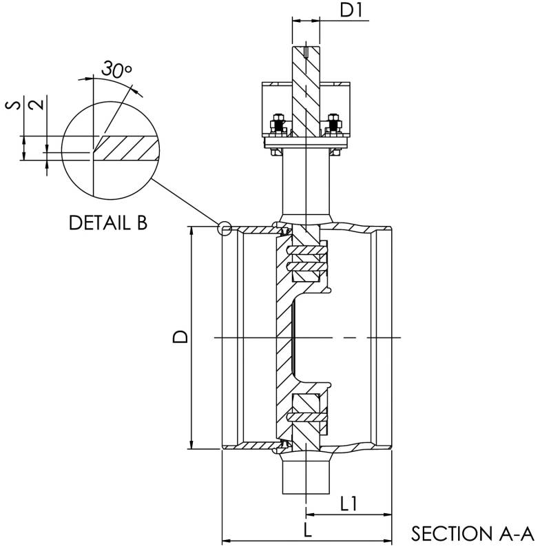
| Корпус: | PN 25 |
| Диск: | Δp = 16 бар |
| Температура: | -40 °C–+250 °C |
| Класс герметичности: | A (EN 12266-1) |


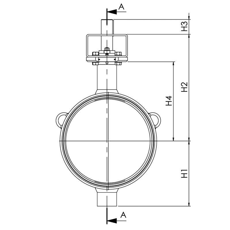
| Product no. Vexve | DN | D | D1 | H1 | H2 | H3 |
|---|---|---|---|---|---|---|
| BFC300W1/GS | 300 | 325 | 35 | 247 | 435 | 65 |
| BFC350W1/GS | 350 | 377 | 35 | 255 | 445 | 65 |
| BFC400W1/GS | 400 | 426 | 40 | 285 | 467 | 65 |
| BFC500W1/GS | 500 | 530 | 50 | 360 | 528 | 80 |
| BFC600W1/GS | 600 | 630 | 60 | 440 | 575 | 110 |
| BFC700W1/GS | 700 | 720 | 70 | 495 | 625 | 110 |
| BFC800W1/GS | 800 | 820 | 90 | 581 | 733 | 130 |
| Product no. Vexve | H4 | L | L1 | S | kg |
|---|---|---|---|---|---|
| BFC300W1/GS | 315 | 270 | 110 | 7 | 61 |
| BFC350W1/GS | 325 | 290 | 134 | 8 | 75 |
| BFC400W1/GS | 347 | 310 | 157 | 8 | 96 |
| BFC500W1/GS | 408 | 350 | 153 | 9 | 167 |
| BFC600W1/GS | 450 | 390 | 184 | 11 | 280 |
| BFC700W1/GS | 501 | 430 | 203 | 12 | 420 |
| BFC800W1/GS | 573 | 470 | 226 | 12 | 670 |
| Корпус: | DN 300 - 500 Сталь, P235GH (1.0345) |
| DN 600 - 800 Сталь, P355NL1 (1.0566) | |
| Диск: | Нержавеющая сталь, GX5CrNiMo19-11-2 (1.4408) |
| Уплотнение: | Alloy 825 |
| Шток: | Нержавеющая сталь, X3CrNiMoN27-5-2 (1.4460) |
| Уплотнение штока: | Графит |
| Подшипники: | PTFE + cетка AISI 316 |
| Присоединения под приварку: | EN 12627 |
| Управление: | Могут быть укомплектованы ручным редуктором, электрическим или гидравлическим приводом |
Vexve_Butterfly_valve-Kv_curves_for-DN300-800-EN.pdf
Скачать документ
(pdf, 46.9 Кб)
Vexve-Butterfly_valves-Kv-value_chart-EN.pdf
Скачать документ
(pdf, 21 Кб)
Vexve-Butterfly_valves-operating_torques-EN.pdf
Скачать документ
(pdf, 19.8 Кб)




