Лидеры продаж

Тепловычислитель ТВ7
Заказать

Стальные шаровые краны DN 15-250
Заказать
Шаровые краны полнопроходные DN 15-500
Условия работы
-30 °C - +200 °C
При температуре ниже 0 °C - обратитесь на завод-производитель.
Не для пара


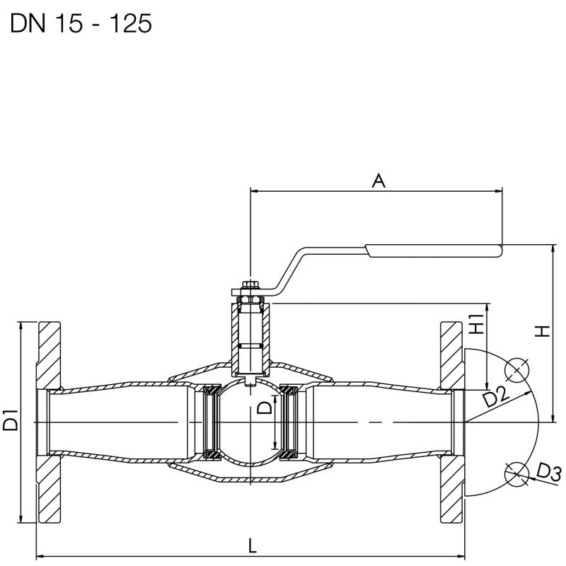
| Product no. Vexve | DN | PN | A | D | D1 | D2 |
|---|---|---|---|---|---|---|
| 153015 | 15 | 40 | 147 | 15 | 95 | 65 |
| 153020 | 20 | 40 | 145 | 20 | 105 | 75 |
| 153025 | 25 | 40 | 145 | 25 | 115 | 85 |
| 153032 | 32 | 40 | 188 | 32 | 140 | 100 |
| 153040 | 40 | 40 | 188 | 40 | 150 | 110 |
| 153050 | 50 | 16 | 278 | 50 | 165 | 125 |
| 153065 | 65 | 16 | 278 | 65 | 185 | 145 |
| 153080 | 80 | 16 | 279 | 80 | 200 | 160 |
| 153100 | 100 | 16 | 400 | 100 | 220 | 180 |
| 153125 | 125 | 16 | 600 | 125 | 250 | 210 |
| 153150 | 150 | 16 | 870 | 150 | 285 | 240 |
| 153200 | 200 | 16 | 1200 | 200 | 340 | 295 |
| 153250 | 250 | 16 | 250 | 405 | 355 | |
| 153300 | 300 | 16 | 290 | 460 | 410 | |
| 153350 | 350 | 16 | 340 | 520 | 470 | |
| 153400 | 400 | 16 | 390 | 580 | 525 | |
| 153500 | 500 | 16 | 489 | 715 | 650 |
| Product no. Vexve | D3 | H | H1 | L | Holes | kg |
|---|---|---|---|---|---|---|
| 153015 | 14 | 103 | 26 | 245 | 4 | 1.3 |
| 153020 | 14 | 117 | 37 | 245 | 4 | 3 |
| 153025 | 14 | 121 | 37 | 275 | 4 | 3.5 |
| 153032 | 18 | 121 | 46 | 275 | 4 | 5.5 |
| 153040 | 18 | 127 | 49 | 320 | 4 | 7.5 |
| 153050 | 18 | 158 | 70 | 320 | 4 | 9.5 |
| 153065 | 18 | 171 | 74 | 325 | 8 | 13.5 |
| 153080 | 18 | 218 | 114 | 350 | 8 | 19 |
| 153100 | 18 | 253 | 113 | 350 | 8 | 24 |
| 153125 | 18 | 272 | 121 | 375 | 8 | 34 |
| 153150 | 22 | 281 | 117 | 515 | 8 | 65 |
| 153200 | 22 | 343 | 135 | 560 | 12 | 120 |
| 153250 | 26 | 158 | 595 | 12 | 160 | |
| 153300 | 26 | 206 | 716 | 12 | 220 | |
| 153350 | 26 | 267 | 802 | 16 | 350 | |
| 153400 | 30 | 306 | 1140 | 16 | 610 | |
| 153500 | 33 | 308 | 1016 | 20 | 1100 |
| Корпус: | DN 15–400 Сталь, P235GH (1.0345) |
| DN 500–800 Сталь, P355 NL1 (1.0566)/ GP240GH (1.0619) | |
| Шар: | DN 15–500 Нержавеющая сталь, X5CrNi18-10 (1.4301) |
| DN 600–800 Сталь + нержавеющее покрытие, ASTM A350 LF2 +Ni | |
| Шток: | Нержавеющая сталь, X8CrNiS18-9 (1.4305) |
| Уплотнения штока: | FPM |
| Уплотнения шара: | PTFE+C |
| Фланцы: | EN 1092-1 |
| Мы предлагаем PN 10, 16, 25, 40 |
| Управление: | Оцинкованная металлическая ручка |
| DN 250 и более без ручки | |
| Рекомендуем комплектацию механическим редуктором для размеров DN 200 и более |
Vexve-Ball_valves-full_bore-coupling_dimensions.pdf
Скачать документ
(pdf, 194.9 Кб)
Vexve-Ball_valves-operating_torques-EN.pdf
Скачать документ
(pdf, 171 Кб)
Vexve-Valves_Pressure-loss-diagram_DN10-DN800-FB.pdf
Скачать документ
(pdf, 161 Кб)




