Лидеры продаж

Тепловычислитель ТВ7
Заказать

Стальные шаровые краны DN 15-250
Заказать
Стальные шаровые краны DN 700-800
Условия работы
-30 °C - +200 °C
При температуре ниже 0 °C - обратитесь на завод-производитель.
Не для пара


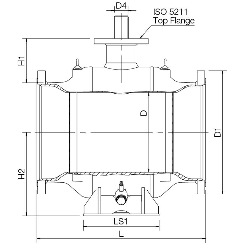
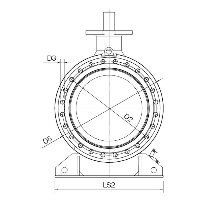
| Product no. Vexve | DN | PN | D | D1 | D2 | D3 | D4 | D5 |
|---|---|---|---|---|---|---|---|---|
| 103700 | 700 | 16 | 589 | 910 | 840 | 36 | 120 | 965 |
| 103800 | 800 | 16 | 684 | 1025 | 950 | 39 | 140 | 1125 |
| Product no. Vexve | H1 | H2 | L | L1 | LS1 | Holes | ISO 5211 | kg |
|---|---|---|---|---|---|---|---|---|
| 103700 | 325 | 616 | 1245 | 560 | 965 | 24 | F35 | 2800 |
| 103800 | 358 | 694 | 1385 | 700 | 1028 | 24 | F35 | 4200 |
| Корпус: | DN 10–500 Сталь, P235GH (1.0345) |
| DN 600–800 Сталь, P355 NL1 (1.0566)/ GP240GH (1.0619) | |
| Шар: | DN 10–600 Нержавеющая сталь, X5CrNi18-10 (1.4301) |
| DN 700–800 Сталь + нержавеющее покрытие, ASTM A350 LF2 +Ni | |
| Шток: | Нержавеющая сталь, X8CrNiS18-9 (1.4305) |
| Уплотнения штока: | FPM |
| Уплотнения шара: | PTFE+C |
| Фланцы: | EN 1092-1 |
| Мы предлагаем PN 10, 16, 25, 40 |
| Комплектация: | подъемные проушины, дренажный кран, монтажная опора |
| Управление: | Могут быть укомплектованы ручным редуктором, электрическим или гидравлическим приводом |
Vexve-Ball_valves-operating_torques-EN.pdf
Скачать документ
(pdf, 171 Кб)
Vexve-Ball_valves-reduced_bore-coupling_dimensions.pdf
Скачать документ
(pdf, 134.8 Кб)
Vexve-Valves_RB-Pressure-loss-diagram_DN15-DN800.pdf
Скачать документ
(pdf, 162 Кб)




